
product center

麻豆视频最新网址回转支承(01系列)——内齿式
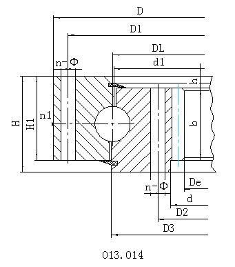
结构特点、性能、适用范围
麻豆视频最新网址回转支承由两个座圈组成,结构紧凑、重量轻、钢球与圆弧滚道四点接触,能同时承受轴向力、径向力和倾翻力矩。回转式输送机、焊接操作机、中小型起重机和挖掘机等工程机械均可选用。
序号
内齿式
外型尺寸
安装尺寸
结构尺寸
齿轮参数
齿轮圆周力
参考
D
d
H
D 1
D2
n
mm
dm
L
n1
D3
d1
H1
h
b
x
M
De
z
正火
调质
1
013.25.315
408
222
70
372
258
20
18
M16
32
2
316
314
60
10
50
0
5
190
40
2.9
4.4
49
2
013.25.355
448
262
70
412
298
20
18
M16
32
2
356
354
60
10
50
0
5
235
49
2.9
4.4
54
3
013.25.400
493
307
70
457
343
20
18
M16
32
2
401
399
60
10
50
0
6
276
48
3.5
5.3
62
4
013.25.450
543
357
70
507
393
20
18
M16
32
2
451
449
60
10
50
0
6
324
56
3.5
5.3
71
5
013.30.500
602
398
80
566
434
20
18
M16
32
4
501
498
70
10
60
0.5
5
367
74
3.7
5.2
85
014.30.500
6
368.4
62
4.5
6.2
5’
013.25.500
602
398
80
566
434
20
18
M16
32
4
501
499
70
10
60
0.5
5
367
74
3.7
5.2
85
014.25.500
6
368.4
62
4.5
6.2
6
013.30.560
662
458
80
626
494
20
18
M16
32
4
561
558
70
10
60
0.5
5
427
86
3.7
5.2
95
014.30.560
6
428.4
72
4.5
6.2
6’
013.25.560
662
458
80
626
494
20
18
M16
32
4
561
559
70
10
60
0.5
5
427
86
3.7
5.2
95
014.25.560
6
428.4
72
4.5
6.2
7
013.30.630
732
528
80
696
564
24
18
M16
32
4
631
628
70
10
60
0.5
6
494.4
83
4.5
6.2
110
014.30.630
8
491.2
62
6
8.3
7’
013.25.630
732
528
80
696
564
24
18
M16
32
4
631
629
70
10
60
0.5
6
494.4
83
4.5
6.2
110
014.25.630
8
491.2
62
6
8.2
8
013.30.710
812
608
80
776
644
24
18
M16
32
4
711
708
70
10
60
0.5
6
572.4
96
4.5
6.2
120
014.30.710
8
571.2
72
6
8.3
8’
013.25.710
812
608
80
776
644
24
18
M16
32
4
711
709
70
10
60
0.5
6
572.4
96
4.5
6.2
120
014.25.710
8
571.2
72
6
8.9
9
013.40.800
922
678
100
878
722
30
22
M20
40
6
801
798
90
10
80
0.5
8
635.2
80
8
11.1
220
014.40.800
10
634
64
10
14
9’
013.30.800
922
678
100
878
722
30
22
M20
40
6
801
798
90
10
80
0.5
8
635.2
80
8
11.1
220
014.30.800
10
634
64
10
14.1
10
013.40.900
1022
778
100
978
822
30
22
M20
40
10
901
898
90
10
80
0.5
8
739.2
93
8
11.1
240
014.40.900
10
734
74
10
14
10’
013.30.900
1022
778
100
978
822
30
22
M20
40
6
901
898
90
10
80
0.5
8
739.2
93
8
11.1
240
014.30.900
10
734
74
10
14
11
013.40.1000
1122
878
100
1078
922
36
22
M20
40
6
1001
998
90
10
80
0.5
10
824
83
10
14
270
014.40.1000
12
820.8
69
12
16.7
11’
013.30.1000
1122
878
100
1078
922
36
22
M20
40
6
1001
998
90
10
80
0.5
10
824
83
10
14
270
014.30.1000
12
820.8
69
12
16.7
12
013.40.1120
1242
998
100
1198
1042
36
22
M20
40
6
1121
1118
90
10
80
0.5
10
944
95
10
14
300
014.40.1120
12
940.8
79
12
16.7
12’
013.30.1120
1242
998
100
1198
1042
36
22
M20
40
6
1121
1118
90
10
80
0.5
10
944
95
10
14
300
014.30.1120
12
940.8
79
12
16.7
13
013.45.1250
1390
1110
110
1337
1163
40
26
M24
48
5
1252
1248
100
10
90
0.5
12
1048.8
88
13.5
18.8
420
014.45.1250
14
1041.6
75
15.8
21.9
13’
013.35.1250
1390
1110
110
1337
1163
40
26
M24
48
5
1251
1248
100
10
90
0.5
12
1048.8
88
13.5
18.8
420
014.35.1250
14
1041.6
75
15.8
21.9
14
013.45.1400
1540
1260
110
1487
1313
40
26
M24
48
5
1402
1398
100
10
90
0.5
12
1192.8
100
13.5
18.8
480
014.45.1400
14
1195.6
86
15.5
21.9
14’
013.35.1400
1540
1260
110
1487
1313
40
26
M24
48
5
1401
1398
100
10
90
0.5
12
1192.8
100
13.5
18.8
480
014.35.1400
14
1195.6
86
15.8
21.9
15
013.45.1600
1740
1460
110
1687
1513
45
26
M24
48
5
1602
1598
100
10
90
0.5
14
1391.6
100
15.8
21.9
550
014.45.1600
16
1382.4
87
18.1
25
15’
013.35.1600
1740
1460
110
1687
1513
45
26
M24
48
5
1601
1598
100
10
90
0.5
14
1391.6
100
15.8
21.9
550
014.35.1600
16
1382.4
87
18.1
25
16
013.45.1800
1940
1660
110
1887
1713
45
26
M24
48
5
1802
1798
100
10
90
0.5
14
1573.6
113
15.8
21.9
610
014.45.1800
16
1574.4
99
18.1
25
16’
013.35.1800
1940
1660
110
1887
1713
45
26
M24
48
5
1801
1798
100
10
90
0.5
14
1573.6
113
15.8
21.9
610
014.35.1800
16
1574.4
99
18.1
25
17
013.60.2000
2178
1825
144
2110
1891
48
33
M30
60
8
2002
1998
132
12
120
0.5
16
1734.4
109
24.1
33.3
1100
014.60.2000
18
1735.2
97
27.1
37.5
17’
013.40.2000
2178
1825
144
2110
1891
48
33
M30
60
8
2001
1998
132
12
120
0.5
16
1734.4
109
24.1
33.3
1100
014.40.2000
18
1735.2
97
27.1
37.5
18
013.60.2240
2418
2065
144
2350
2131
48
33
M30
60
8
2242
2238
132
12
120
0.5
16
1990.4
125
24.1
33.3
1250
014.60.2240
18
1987.2
111
27.1
37.5
18’
013.40.2240
2418
2065
144
2350
2131
48
33
M30
60
8
2241
2238
132
12
120
0.5
16
1990.4
125
24.1
33.3
1250
014.40.2240
18
1987.2
111
27.1
37.5
19
013.60.2500
2678
2325
144
2610
2391
56
33
M30
60
8
2502
2498
132
12
120
0.5
18
2239.2
125
27.1
37.5
1400
014.60.2500
20
2228
112
30.1
41.8
19’
013.40.2500
2678
2325
144
2610
2391
56
33
M30
60
8
2501
2498
132
12
120
0.5
18
2239.2
125
27.1
37.5
1400
014.40.2500
20
2228
112
30.1
41.8
20
013.60.2800
2978
2625
144
2910
2691
56
33
M30
60
8
2802
2798
132
12
120
0.5
18
2527.2
141
27.1
37.5
1600
014.60.2800
20
2528
127
30.1
41.8
20’
013.40.2800
2978
2625
144
2910
2691
56
33
M30
60
8
2802
2798
132
12
120
0.5
18
2527.2
141
27.1
37.5
1600
014.40.2800
20
2528
127
30.1
41.8
21
013.75.3150
3376
2922
174
3286
3014
56
45
M42
84
8
3152
3147
162
12
150
0.5
20
2828
142
37.7
52.2
2800
014.75.3150
22
2824.8
129
41.5
57.4
21’
013.50.3150
3376
2922
174
3286
3014
56
45
M42
84
8
3152
3147
162
12
150
0.5
20
3228
142
37.7
52.2
2800
014.50.3150
22
3220.8
129
41.5
57.4
22
013.75.3550
3376
3322
174
3686
3414
56
45
M42
84
8
3552
3547
162
12
150
0.5
20
2828
162
37.7
51.7
3500
014.75.3550
22
2824.8
147
41.5
57
22’
013.50.3550
3376
2922
174
3286
3014
56
45
M42
84
10
3552
3548
162
12
150
0.5
20
3228
162
37.7
51.7
3500
014.50.3550
22
3220.8
147
41.5
57
23
013.75.4000
4226
3772
174
4136
3864
60
45
M42
84
10
4002
3997
162
12
150
0.5
22
3660.8
167
41.5
57
4200
014.75.4000
25
3660
147
47.1
64.6
23’
013.50.4000
4226
3772
174
4136
3864
60
45
M42
84
10
4002
3998
162
12
150
0.5
22
3660.8
167
41.5
57
4200
014.50.4000
25
3660
147
47.1
64.6
24
013.75.4500
4726
4272
174
4636
4364
60
45
M42
84
10
4502
4497
162
12
150
0.5
22
4166.8
190
41.5
57
5100
014.75.4500
25
4160
167
47.1
64.6
24’
013.50.4500
4726
4272
174
4636
4364
60
45
M42
84
10
4502
4497
162
12
150
0.5
22
4166.8
190
41.5
57
5100
014.50.4500
25
4160
167
47.1
64.6
注:
DL
mm
重量
(kg)
mm
mm
mm
mm
mm
mm
mm
mm
mm
mm
mm
mm
mm
mm
mm
Z 104N
T 104N
1、n1为润滑油孔数,均布:油杯M10×1 JB/T7940.1-JB/T7940.2
2、安装孔n-dn1、n-dn2可改用螺孔;齿宽b可改为H-h。
3、表内齿轮圆周力为大圆周力,额定圆周力取其1/2。
4、内齿修顶系数为0.2。