麻豆传媒视频在线播放,麻豆免费版下载安装,麻豆精品国产AV,麻豆视频最新网址

    产品中心

    product center

    单排四点式无齿型麻豆免费版下载安装

    • 产品名称: 单排四点式无齿型麻豆免费版下载安装
    • 产品分类: 麻豆视频最新网址回转支承(01)
    • 联系方式: 0535-8331991
    • 公司名称: 招远市麻豆传媒视频在线播放机械制造有限公司
    • 公司地址:山东省招远市开发区河东路999号
    • 添加时间: 19/08/21
    产品详情


    麻豆视频最新网址回转支承(01系列)——无齿式
    结构特点、性能、适用范围 
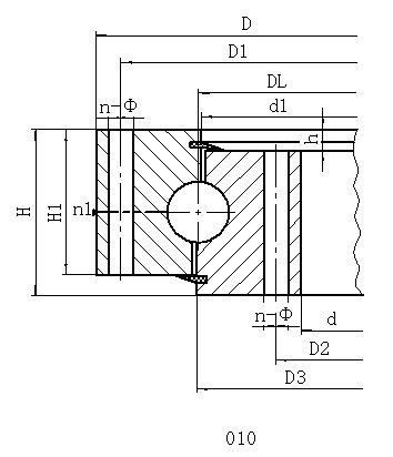
    麻豆视频最新网址回转支承由两个座圈组成,结构紧凑、重量轻、钢球与圆弧滚道四点接触,能同时承受轴向力、径向力和倾翻力矩。回转式输送机、焊接操作机、中小型起重机和挖掘机等工程机械均可选用。

    序号

    基本型号

    外型尺寸

    安装尺寸

    结构尺寸

    参考
    重量
    kg

    无齿式
    DL
    mm

    D
    mm

    d
    mm

    H
    mm

    D1
    mm

    D2
    mm

    n

    mm

    dm
    mm

    L
    mm

    n1
    mm

    D3
    mm

    d1
    mm

    H1
    mm

    h
    mm

    1

    010.20.200

    280

    120

    60

    248

    152

    12

    16

    M14

    28

    2

    201

    199

    50

    10

    20

    2

    010.20.224

    304

    144

    60

    272

    176

    12

    16

    M14

    28

    2

    225

    223

    50

    10

    22

    3

    010.20.250

    330

    170

    60

    298

    202

    18

    16

    M14

    28

    2

    251

    249

    50

    10

    25

    4

    010.20.280

    360

    200

    60

    328

    232

    18

    16

    M14

    28

    2

    281

    279

    50

    10

    28

    5

    010.25.315

    408

    222

    70

    372

    258

    20

    18

    M16

    32

    2

    316

    314

    60

    10

    44

    6

    010.25.355

    448

    262

    70

    412

    298

    20

    18

    M16

    32

    2

    356

    354

    60

    10

    49

    7

    010.25.400

    493

    307

    70

    457

    343

    20

    18

    M16

    32

    2

    401

    399

    60

    10

    56

    8

    010.25.450

    543

    357

    70

    507

    393

    20

    18

    M16

    32

    2

    451

    449

    60

    10

    62

    9

    010.30.500

    602

    398

    80

    566

    434

    20

    18

    M16

    32

    4

    501

    498

    70

    10

    85

    9’

    010.25.500

    602

    398

    80

    566

    434

    20

    18

    M16

    32

    4

    501

    499

    70

    10

    85

    10

    010.30.560

    662

    458

    80

    626

    494

    20

    18

    M16

    32

    4

    561

    558

    70

    10

    95

    10’

    010.25.560

    662

    458

    80

    626

    494

    20

    18

    M16

    32

    4

    561

    559

    70

    10

    95

    11

    010.30.630

    732

    528

    80

    696

    564

    24

    18

    M16

    32

    4

    631

    628

    70

    10

    110

    11’

    010.25.630

    732

    528

    80

    696

    564

    24

    18

    M16

    32

    4

    631

    629

    70

    10

    110

    12

    010.30.710

    812

    608

    80

    776

    644

    24

    18

    M16

    32

    4

    711

    708

    70

    10

    120

    12’

    010.25.710

    812

    608

    80

    776

    644

    24

    18

    M16

    32

    4

    711

    709

    70

    10

    120

    13

    010.40.800

    922

    678

    100

    878

    722

    30

    22

    M20

    40

    6

    801

    798

    90

    10

    220

    13’

    010.30.800

    922

    678

    100

    878

    722

    30

    22

    M20

    40

    6

    801

    798

    90

    10

    220

    14

    010.40.900

    1022

    778

    100

    978

    822

    30

    22

    M20

    40

    6

    901

    898

    90

    10

    240

    14’

    010.30.900

    1022

    778

    100

    978

    822

    30

    22

    M20

    40

    6

    901

    898

    90

    10

    240

    15

    010.40.1000

    1122

    878

    100

    1078

    922

    36

    22

    M20

    40

    6

    1001

    998

    90

    10

    270

    15’

    010.30.1000

    1122

    878

    100

    1078

    922

    36

    22

    M20

    40

    6

    1001

    998

    90

    10

    270

    16

    010.40.1120

    1242

    998

    100

    1198

    1042

    36

    22

    M20

    40

    6

    1121

    1118

    90

    10

    300

    16’

    010.30.1120

    1242

    998

    100

    1198

    1042

    36

    22

    M20

    40

    6

    1121

    1118

    90

    10

    300

    17

    010.45.1250

    1390

    1110

    110

    1337

    1163

    40

    26

    M24

    48

    5

    1252

    1248

    100

    10

    420

    17’

    010.35.1250

    1390

    1110

    110

    1337

    1163

    40

    26

    M24

    48

    5

    1251

    1248

    100

    10

    420

    18

    010.45.1400

    1540

    1260

    110

    1487

    1313

    40

    26

    M24

    48

    5

    1402

    1398

    100

    10

    480

    18’

    010.35.1400

    1540

    1260

    110

    1487

    1313

    40

    26

    M24

    48

    5

    1401

    1398

    100

    10

    480

    19

    011.45.1600

    1740

    1460

    110

    1687

    1513

    45

    26

    M24

    48

    5

    1602

    1598

    100

    10

    550

    19’

    010.35.1600

    1740

    1460

    110

    1687

    1513

    45

    26

    M24

    48

    5

    1601

    1598

    100

    10

    550

    20

    010.45.1800

    1940

    1660

    110

    1887

    1713

    45

    26

    M24

    48

    5

    1802

    1798

    100

    10

    610

    20’

    010.35.1800

    1940

    1660

    110

    1887

    1713

    45

    26

    M24

    48

    5

    1801

    1798

    100

    10

    610

    21

    010.60.2000

    2178

    1825

    144

    2110

    1891

    48

    33

    M30

    60

    8

    2002

    1998

    132

    12

    1100

    21’

    010.40.2000

    2178

    1825

    144

    2110

    1891

    48

    33

    M30

    60

    8

    2001

    1998

    132

    12

    1100

    22

    010.60.2240

    2418

    2065

    144

    2350

    2131

    48

    33

    M30

    60

    8

    2242

    2238

    132

    12

    1250

    22’

    010.40.2240

    2418

    2065

    144

    2350

    2131

    48

    33

    M30

    60

    8

    2241

    2238

    132

    12

    1250

    23

    010.60.2500

    2678

    2325

    144

    2610

    2391

    56

    33

    M30

    60

    8

    2502

    2498

    132

    12

    1400

    23’

    010.40.2500

    2678

    2325

    144

    2610

    2391

    56

    33

    M30

    60

    8

    2501

    2498

    132

    12

    1400

    24

    010.60.2800

    2978

    2625

    144

    2910

    2691

    56

    33

    M30

    60

    8

    2802

    2798

    132

    12

    1600

    24’

    010.40.2800

    2978

    2625

    144

    2910

    2691

    56

    33

    M30

    60

    8

    2802

    2798

    132

    12

    1600

    25

    010.75.3150

    3376

    2922

    174

    3286

    3014

    56

    45

    M42

    84

    8

    3152

    3147

    162

    12

    2800

    25’

    010.50.3150

    3376

    2922

    174

    3286

    3014

    56

    45

    M42

    84

    8

    3152

    3147

    162

    12

    2800

    26

    010.75.3550

    3776

    3322

    174

    3686

    3414

    56

    45

    M42

    84

    8

    3552

    3547

    162

    12

    3500

    26’

    010.50.3550

    3776

    3322

    174

    3686

    3414

    56

    45

    M42

    84

    8

    3552

    3548

    162

    12

    3500

    27

    010.75.4000

    4226

    3772

    174

    4136

    3864

    60

    45

    M42

    84

    10

    4002

    3997

    162

    12

    4200

    27’

    010.50.4000

    4226

    3772

    174

    4136

    3864

    60

    45

    M42

    84

    10

    4002

    3998

    162

    12

    4200

    28

    010.75.4500

    4726

    4272

    174

    4636

    4364

    60

    45

    M42

    84

    10

    4502

    4497

    162

    12

    5100

    28’

    010.50.4500

    4726

    4272

    174

    4636

    4364

    60

    45

    M42

    84

    10

    4502

    4498

    162

    12

    5100

    注: 
    1、n1为润滑油孔数,均布:油杯M10×1 JB/T7940.1-JB/T7940.2
    2、安装孔n-dn1、n-dn2可改用螺孔;齿宽b可改为H-h。


    点击次数:   更新时间:19/08/21 15:30:08  
    网站地图