麻豆传媒视频在线播放,麻豆免费版下载安装,麻豆精品国产AV,麻豆视频最新网址

    产品中心

    product center

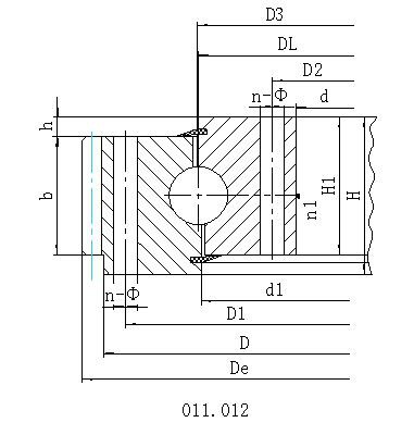
    单排四点式外齿型回转支承

    • 产品名称: 单排四点式外齿型回转支承
    • 产品分类: 麻豆视频最新网址回转支承(01)
    • 联系方式: 0535-8331991
    • 公司名称: 招远市麻豆传媒视频在线播放机械制造有限公司
    • 公司地址:山东省招远市开发区河东路999号
    • 添加时间: 19/08/21
    产品详情


    麻豆视频最新网址回转支承(01系列)——外齿式 
    结构特点、性能、适用范围 
    麻豆视频最新网址回转支承由两个座圈组成,结构紧凑、重量轻、钢球与圆弧滚道四点接触,能同时承受轴向力、径向力和倾翻力矩。回转式输送机、焊接操作机、中小型起重机和挖掘机等工程机械均可选用。

    序号

    外齿式
    DL
    mm

    外型尺寸

    安装尺寸

    结构尺寸

    齿轮参数

    齿轮圆周力

    参考
    重量
    kg

    D
    mm

    d
    mm

    H
    mm

    D1
    mm

    D2 mm

    n

    mm

    dm
    mm

    L
    mm

    n1
    mm

    D3
    mm

    d1
    mm

    H1
    mm

    h
    mm

    b
    mm

    x

    M
    mm

    De
    mm

    z

    正火
    Z 104N

    调质
    T 104N

    1

    011.20.200

    280

    120

    60

    248

    152

    12

    16

    M14

    28

    2

    201

    199

    50

    10

    40

    0

    3

    300

    98

    1.5

    2.1

    24

    2

    011.20.224

    304

    144

    60

    272

    176

    12

    16

    M14

    28

    2

    225

    223

    50

    10

    40

    0

    3

    321

    105

    1.5

    2.1

    25

    3

    011.20.250

    330

    170

    60

    298

    202

    18

    16

    M14

    28

    2

    251

    249

    50

    10

    40

    0

    4

    352

    86

    2.1

    2.8

    30

    4

    011.20.280

    360

    200

    60

    328

    232

    18

    16

    M14

    28

    2

    281

    279

    50

    10

    40

    0

    4

    384

    94

    1.5

    2.8

    34

    5

    011.25.315

    408

    222

    70

    372

    258

    20

    18

    M16

    32

    2

    316

    314

    60

    10

    50

    0

    5

    435

    85

    2.9

    4.4

    52

    6

    011.25.355

    448

    262

    70

    412

    298

    20

    18

    M16

    32

    2

    356

    354

    60

    10

    50

    0

    5

    475

    93

    2.9

    4.4

    59

    7

    011.25.400

    493

    307

    70

    457

    343

    20

    18

    M16

    32

    2

    401

    399

    60

    10

    50

    0

    6

    528

    86

    3.5

    5.3

    69

    8

    011.25.450

    543

    357

    70

    507

    393

    20

    18

    M16

    32

    2

    451

    449

    60

    10

    50

    0

    6

    576

    94

    3.5

    5.3

    76

    9

    011.30.500

    602

    398

    80

    566

    434

    20

    18

    M16

    32

    4

    501

    498

    70

    10

    60

    0.5

    5

    629

    123

    3.7

    5.2

    85

    012.30.500

    6

    628.8

    102

    4.5

    6.2

    9’

    011.25.500

    602

    398

    80

    566

    434

    20

    18

    M16

    32

    4

    501

    499

    70

    10

    60

    0.5

    5

    629

    123

    3.7

    5.2

    85

    012.25.500

    6

    628.8

    102

    4.5

    6.2

    10

    011.30.560

    662

    458

    80

    626

    494

    20

    18

    M16

    32

    4

    561

    558

    70

    10

    60

    0.5

    5

    689

    135

    3.7

    5.2

    95

    012.30.560

    6

    688.8

    112

    4.5

    6.2

    10’

    011.25.560

    662

    458

    80

    626

    494

    20

    18

    M16

    32

    4

    561

    559

    70

    10

    60

    0.5

    5

    689

    135

    3.7

    5.2

    95

    012.25. 560

    6

    688.8

    112

    4.5

    6.2

    11

    011.30.630

    732

    528

    80

    696

    564

    24

    18

    M16

    32

    4

    631

    628

    70

    10

    60

    0.5

    6

    772.8

    126

    4.5

    6.2

    110

    012.30.630

    8

    774.4

    94

    6

    8.3

    11’

    011.25.630

    732

    528

    80

    696

    564

    24

    18

    M16

    32

    4

    631

    629

    70

    10

    60

    0.5

    6

    772.8

    126

    4.5

    6.2

    110

    012.25.630

    8

    774.4

    94

    6

    8.2

    12

    011.30.710

    812

    608

    80

    776

    644

    24

    18

    M16

    32

    4

    711

    708

    70

    10

    60

    0.5

    6

    850.8

    139

    4.5

    6.2

    120

    012.30.710

    8

    854.4

    104

    6

    8.3

    12’

    011.25.710

    812

    608

    80

    776

    644

    24

    18

    M16

    32

    4

    711

    709

    70

    10

    60

    0.5

    6

    850.8

    139

    4.5

    6.2

    120

    012.25.710

    8

    854.4

    104

    6

    8.9

    13

    011.40.800

    922

    678

    100

    878

    722

    30

    22

    M20

    40

    6

    801

    798

    90

    10

    80

    0.5

    8

    966.4

    118

    8

    11.1

    220

    012.40.800

    10

    968

    94

    10

    14

    13’

    011.30.800

    922

    678

    100

    878

    722

    30

    22

    M20

    40

    6

    801

    798

    90

    10

    80

    0.5

    8

    966.4

    118

    8

    11.1

    220

    012.30.800

    10

    968

    94

    10

    14.1

    14

    011.40.900

    1022

    778

    100

    978

    822

    30

    22

    M20

    40

    6

    901

    898

    90

    10

    80

    0.5

    8

    1062.4

    130

    8

    11.1

    240

    012.40.900

    10

    1068

    104

    10

    14

    14’

    011.30.900

    1022

    778

    100

    978

    822

    30

    22

    M20

    40

    6

    901

    898

    90

    10

    80

    0.5

    8

    1062.4

    130

    8

    11.1

    240

    012.30.900

    10

    1068

    104

    10

    14

    15

    011.40.1000

    1122

    878

    100

    1078

    922

    36

    22

    M20

    40

    6

    1001

    998

    90

    10

    80

    0.5

    10

    1188

    116

    10

    14

    270

    012.40.1000

    12

    1185.6

    96

    12

    16.7

    15’

    011.30.1000

    1122

    878

    100

    1078

    922

    36

    22

    M20

    40

    6

    1001

    998

    90

    10

    80

    0.5

    10

    1188

    116

    10

    14

    270

    012.30.1000

    12

    1185.6

    96

    12

    16.7

    16

    011.40.1120

    1242

    998

    100

    1198

    1042

    36

    22

    M20

    40

    6

    1121

    1118

    90

    10

    80

    0.5

    10

    1298

    127

    10

    14

    300

    012.40.1120

    12

    1305.6

    106

    12

    16.7

    16’

    011.30.1120

    1242

    998

    100

    1198

    1042

    36

    22

    M20

    40

    6

    1121

    1118

    90

    10

    80

    0.5

    10

    1298

    127

    10

    14

    300

    012.30.1120

    12

    1305.6

    106

    12

    16.7

    17

    011.45.1250

    1390

    1110

    110

    1337

    1163

    40

    26

    M24

    48

    5

    1252

    1248

    100

    10

    90

    0.5

    12

    1449.6

    118

    13.5

    18.8

    420

    012.45.1250

    14

    1453.2

    101

    15.8

    21.9

    17’

    011.35.1250

    1390

    1110

    110

    1337

    1163

    40

    26

    M24

    48

    5

    1251

    1248

    100

    10<, /P>

    90

    0.5

    12

    1449.6

    118

    13.5

    18.8

    420

    012.35.1250

    14

    1453.2

    101

    15.8

    21.9

    18

    011.45.1400

    1540

    1260

    110

    1487

    1313

    40

    26

    M24

    48

    5

    1402

    1398

    100

    10

    90

    0.5

    12

    1605.6

    131

    13.5

    18.8

    480

    012.45.1400

    14

    1607.2

    112

    15.5

    21.9

    18’

    011.35.1400

    1540

    1260

    110

    1487

    1313

    40

    26

    M24

    48

    5

    1401

    1398

    100

    10

    90

    0.5

    12

    1605.6

    131

    13.5

    18.8

    480

    012.35.1400

    14

    1607.2

    112

    15.8

    21.9

    19

    011.45.1600

    1740

    1460

    110

    1687

    1513

    45

    26

    M24

    48

    5

    1602

    1598

    100

    10

    90

    0.5

    14

    1817.2

    127

    15.8

    21.9

    550

    012.45.1600

    16

    1820.8

    111

    18.1

    25

    19’

    011.35.1600

    1740

    1460

    110

    1687

    1513

    45

    26

    M24

    48

    5

    1601

    1598

    100

    10

    90

    0.5

    14

    1817.2

    127

    15.8

    21.9

    550

    012.35.1600

    16

    1820.8

    111

    18.1

    25

    20

    011.45.1800

    1940

    1660

    110

    1887

    1713

    45

    26

    M24

    48

    5

    1802

    1798

    100

    10

    90

    0.5

    14

    2013.2

    141

    15.8

    21.9

    610

    012.45.1800

    16

    2012.8

    123

    18.1

    25

    20’

    011.35.1800

    1940

    1660

    110

    1887

    1713

    45

    26

    M24

    48

    5

    1801

    1798

    100

    10

    90

    0.5

    14

    2013.2

    141

    15.8

    21.9

    610

    012.35.1800

    16

    2012.8

    123

    18.1

    25

    21

    011.60.2000

    2178

    1825

    144

    2110

    1891

    48

    33

    M30

    60

    8

    2002

    1998

    132

    12

    120

    0.5

    16

    2268.8

    139

    24.1

    33.3

    1100

    012.60.2000

    18

    2264.4

    123

    27.1

    37.5

    21’

    011.40.2000

    2178

    1825

    144

    2110

    1891

    48

    33

    M30

    60

    8

    2001

    1998

    132

    12

    120

    0.5

    16

    2268.8

    139

    24.1

    33.3

    1100

    012.40.2000

    18

    2264.4

    123

    27.1

    37.5

    22

    011.60.2240

    2418

    2065

    144

    2350

    2131

    48

    33

    M30

    60

    8

    2242

    2238

    132

    12

    120

    0.5

    16

    2492.8

    153

    24.1

    33.3

    1250

    012.60.2240

    18

    2498.4

    136

    27.1

    37.5

    22’

    011.40.2240

    2418

    2065

    144

    2350

    2131

    48

    33

    M30

    60

    8

    2241

    2238

    132

    12

    120

    0.5

    16

    2492.8

    153

    24.1

    33.3

    1250

    012.40.2240

    18

    2498.4

    136

    27.1

    37.5

    23

    011.60.2500

    2678

    2325

    144

    2610

    2391

    56

    33

    M30

    60

    8

    2502

    2498

    132

    12

    120

    0.5

    18

    2768.4

    151

    27.1

    37.5

    1400

    012.60.2500

    20

    2776

    136

    30.1

    41.8

    23’

    011.40.2500

    2678

    2325

    144

    2610

    2391

    56

    33

    M30

    60

    8

    2501

    2498

    132

    12

    120

    0.5

    18

    2768.4

    151

    27.1

    37.5

    1400

    012.40.2500

    20

    2776

    136

    30.1

    41.8

    24

    011.60.2800

    2978

    2625

    144

    2910

    2691

    56

    33

    M30

    60

    8

    2802

    2798

    132

    12

    120

    0.5

    18

    3074.4

    168

    27.1

    37.5

    1600

    012.60.2800

    20

    3076

    151

    30.1

    41.8

    24’

    011.40.2800

    2978

    2625

    144

    2910

    2691

    56

    33

    M30

    60

    8

    2802

    2798

    132

    12

    120

    0.5

    18

    3074.4

    168

    27.1

    37.5

    1600

    012.40.2800

    20

    3076

    151

    30.1

    41.8

    25

    011.75.3150

    3376

    2922

    174

    3286

    3014

    56

    45

    M42

    84

    8

    3152

    3147

    162

    12

    150

    0.5

    20

    3476

    171

    37.7

    52.2

    2800

    012.75.3150

    22

    3471.6

    155

    41.5

    57.4

    25’

    011.50.3150

    3376

    2922

    174

    3286

    3014

    56

    45

    M42

    84

    8

    3152

    3147

    162

    12

    150

    0.5

    20

    3476

    171

    37.7

    52.2

    2800

    012.50.3150

    22

    3471.6

    155

    41.5

    57.4

    26

    011.75.3550

    3776

    3322

    174

    3686

    3414

    56

    45

    M42

    84

    8

    3552

    3547

    162

    12

    150

    0.5

    20

    3876

    191

    37.7

    51.7

    3500

    012.75.3550

    22

    3889.6

    174

    41.5

    57

    26’

    011.50.3550

    3776

    3322

    174

    3686

    3414

    56

    45

    M42

    84

    10

    3552

    3548

    162

    12

    150

    0.5

    20

    3876

    191

    37.7

    51.7

    3500

    012.50.3550

    22

    3889.6

    174

    41.5

    57

    27

    011.75.4000

    4226

    3772

    174

    4136

    3864

    60

    45

    M42

    84

    10

    4002

    3997

    162

    12

    150

    0.5

    22

    4329.6

    194

    41.5

    57

    4200

    012.75.4000

    25

    4345

    171

    47.1

    64.6

    27’

    011.50.4000

    4226

    3772

    174

    4136

    3864

    60

    45

    M42

    84

    10

    4002

    3998

    162

    12

    150

    0.5

    22

    4329.6

    194

    41.5

    57

    4200

    012.50.4000

    25

    4345

    171

    47.1

    64.6

    28

    011.75.4500

    4726

    4272

    174

    4636

    4364

    60

    45

    M42

    84

    10

    4502

    4497

    162

    12

    150

    0.5

    22

    4329.6

    217

    41.5

    57

    5100

    012.75.4500

    25

    4345

    191

    47.1

    64.6

    28’

    011.50.4500

    4726

    4272

    174

    4636

    4364

    60

    45

    M42

    84

    10

    4502

    4498

    162

    12

    150

    0.5

    22

    4835.6

    217

    41.5

    57

    5100

    012.50.4500

    25

    4845

    191

    47.1

    64.6

    注: 
    1、n1为润滑油孔数,均布:油杯M10×1 JB/T7940.1-JB/T7940.2
    2、安装孔n-dn1、n-dn2可改用螺孔;齿宽b可改为H-h。
    3、表内齿轮圆周力为大圆周力,额定圆周力取其1/2。
    4、外齿修顶系数为0.1。


    点击次数:   更新时间:19/08/21 15:32:08  
    网站地图