
product center

麻豆精品国产AV回转支承(11系列)——内齿式
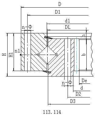
结构特点、性能、适用范围
麻豆精品国产AV回转支承,由两个座圈组成,结构紧凑、重量轻、制造精度高,装配间隙小,对安装精度要求高,滚柱为1:1交叉排列,能同时承受轴向力,倾翻力矩和较大的径向力,被广泛地用于起重运输、工程机械和军工产品上。
序号
内齿式
外型尺寸
安装尺寸
结构尺寸
齿轮参数
齿轮圆周力
参考
D
d
H
D1
D2
n
mm
dm
L
n1
D3
d1
H1
h
b
x
m
De
z
正火
调质
1
113.25.500
602
398
75
566
434
20
18
M16
32
4
498
502
65
10
60
0.5
5
367
74
3.7
5.2
80
114.25.500
6
368.4
62
4.5
6.2
2
113.25.560
662
458
75
626
494
20
18
M16
32
4
558
562
65
10
60
0.5
5
427
86
3.7
5.2
90
114.25.560
6
428.4
72
4.5
6.2
3
113.25.630
732
528
75
696
564
24
18
M16
32
4
628
632
65
10
60
0.5
6
494.4
83
4.5
6.2
100
114.25.630
8
491.2
62
6
8.3
4
113.25.710
812
608
75
776
644
24
18
M16
32
4
708
712
65
10
60
0.5
6
572.4
96
4.5
6.2
110
114.25.710
8
571.2
72
6
8.3
5
113.28.800
922
678
82
878
722
30
22
M20
40
6
798
802
72
10
65
0.5
8
635.2
80
6.5
9.1
170
114.28.800
10
634
64
8.1
11.4
6
113.28.900
1022
778
82
978
822
30
22
M20
40
6
898
902
72
10
65
0.5
8
739.2
93
6.5
9.1
190
114.28.900
10
734
74
8.1
11.4
7
113.28.1000
1122
878
82
1078
922
36
22
M20
40
6
998
1002
72
10
65
0.5
10
824
83
8.1
11.4
210
114.28.1000
12
820.8
69
9.7
13.6
8
113.28.1120
1242
998
82
1198
1042
36
22
M20
40
6
1118
1122
72
10
65
0.5
10
944
95
8.1
11.4
230
114.28.1120
12
940.8
79
9.7
13.6
9
113.32.1250
1390
1110
91
1337
1163
40
26
M24
48
5
1248
1252
81
10
75
0.5
12
1048.8
88
11.3
15.7
350
114.32.1250
14
1041.6
75
13.2
18.2
10
113.32.1400
1540
1260
91
1487
1313
40
26
M24
48
5
1398
1402
81
10
75
0.5
12
1192.8
100
11.3
15.7
400
114.32.1400
14
1195.6
86
13.2
18.2
11
113.32.1600
1740
1460
91
1687
1513
45
26
M24
48
5
1598
1602
81
10
75
0.5
14
1391.6
100
13.2
18.2
440
114.32.1600
16
1382.4
87
15.1
22.4
12
113.32.1800
1940
1660
91
1887
1713
45
26
M24
48
5
1798
1802
81
10
75
0.5
14
1573.6
113
13.2
18.2
500
114.32.1800
16
1574.4
99
15.1
22.4
13
113.40.2000
2178
1825
112
2110
1891
48
33
M30
60
8
1997
2003
100
12
90
0.5
16
1734.4
109
18.1
25
900
114.40.2000
18
1735.2
97
20.3
28.1
14
113.40.2240
2418
2065
112
2350
2131
48
33
M30
60
8
2237
2243
100
12
90
0.5
16
1990.4
125
18.1
25
1000
114.40.2240
18
1987.2
111
20.3
28.1
15
113.40.2500
2678
2325
112
2610
2391
56
33
M30
60
8
2497
2503
100
12
90
0.5
18
2239.2
125
20.3
28.1
1100
114.40.2500
20
2228
112
22.6
31.3
16
113.40.2800
2978
2625
112
2910
2691
56
33
M30
60
8
2797
2803
100
12
90
0.5
18
2527.2
141
20.3
28.1
1250
114.40.2800
20
2528
127
22.6
31.3
17
113.50.3150
3376
2922
134
3286
3014
56
45
M42
84
8
3147
3153
122
12
110
0.5
20
2828
142
27.6
38.3
2150
114.50.3150
22
2824.8
129
30.4
42.1
18
113.50.3550
3776
3322
134
3686
3414
56
45
M42
84
8
3547
3553
122
12
110
0.5
20
3228
162
30.4
38.3
2470
114.50.3550
22
3220.8
147
30.4
42.1
19
113.50.4000
4226
3772
134
4136
3864
60
45
M42
84
10
3997
4003
122
12
110
0.5
22
3660.8
167
30.4
42.1
2800
114.50.4000
25
3660
147
34.5
47.8
20
113.50.4500
4726
4272
134
4636
4364
60
45
M42
84
10
4497
4503
122
12
110
0.5
22
4166.8
190
30.4
42.1
3100
114.50.4500
25
4160
167
34.5
47.8
注:
DL
mm
重量
kg
mm
mm
mm
mm
mm
mm
mm
mm
mm
mm
mm
mm
mm
mm
mm
Z 104N
T 104N
1、n1为润滑油孔数,均布:油杯M10×1 JB/T7940.1-JB/T7940.2
2、安装孔n-Φ可改用螺孔;齿宽b可改为H-h。
3、表内齿轮圆周力为大圆周力,额定圆周力取其1/2。
4、内齿修顶系数为0.2。