麻豆传媒视频在线播放,麻豆免费版下载安装,麻豆精品国产AV,麻豆视频最新网址

    产品中心

    product center

    麻豆精品国产AV外齿型轴承

    • 产品名称: 麻豆精品国产AV外齿型轴承
    • 产品分类: 麻豆精品国产AV(11系列)
    • 联系方式: 0535-8331991
    • 公司名称: 招远市麻豆传媒视频在线播放机械制造有限公司
    • 公司地址:山东省招远市开发区河东路999号
    • 添加时间: 19/08/21
    产品详情


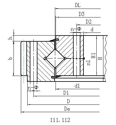
    麻豆精品国产AV回转支承(11系列)——外齿式
    结构特点、性能、适用范围 
    麻豆精品国产AV回转支承,由两个座圈组成,结构紧凑、重量轻、制造精度高,装配间隙小,对安装精度要求高,滚柱为1:1交叉排列,能同时承受轴向力,倾翻力矩和较大的径向力,被广泛地用于起重运输、工程机械和军工产品上。

    序号

    外齿式
    DL
    mm

    外型尺寸

    安装尺寸

    结构尺寸

    齿轮参数

    齿轮圆周力

    参考
    重量
    kg

    D
    mm

    d
    mm

    H
    mm

    D1
    mm

    D2 
    mm

    n

    mm

    dm
    mm

    L
    mm

    n1
    mm

    D3
    mm

    d1
    mm

    H1
    mm

    h
    mm

    b
    mm

    x

    m
    mm

    De
    mm

    z

    正火
    Z 104N

    调质
    T 104N

    1

    111.25.500

    602

    398

    75

    566

    434

    20

    18

    M16

    32

    4

    498

    502

    65

    10

    60

    0.5

    5

    629

    123

    3.7

    5.2

    80

    112.25.500

    6

    628.8

    102

    4.5

    6.2

    2

    111.25.560

    662

    458

    75

    626

    494

    20

    18

    M16

    32

    4

    558

    562

    65

    10

    60

    0.5

    5

    689

    135

    3.7

    5.2

    90

    112.25.560

    6

    688.8

    112

    4.5

    6.2

    3

    111.25.630

    732

    528

    75

    696

    564

    24

    18

    M16

    32

    4

    628

    632

    65

    10

    60

    0.5

    6

    772.8

    126

    4.5

    6.2

    100

    112.25.630

    8

    774.4

    94

    6

    8.3

    4

    111.25.710

    812

    608

    75

    776

    644

    24

    18

    M16

    32

    4

    708

    712

    65

    10

    60

    0.5

    6

    850.8

    139

    4.5

    6.2

    110

    112.25.710

    8

    854.4

    104

    6

    8.3

    5

    111.28.800

    922

    678

    82

    878

    722

    30

    22

    M20

    40

    6

    798

    802

    72

    10

    65

    0.5

    8

    966.4

    118

    6.5

    9.1

    170

    112.28.800

    10

    968

    94

    8.1

    11.4

    6

    111.28.900

    1022

    778

    82

    978

    822

    30

    22

    M20

    40

    6

    898

    902

    72

    10

    65

    0.5

    8

    1062.4

    130

    6.5

    9.1

    190

    112.28.900

    10

    1068

    104

    8.1

    11.4

    7

    111.28.1000

    1122

    878

    82

    1078

    922

    36

    22

    M20

    40

    6

    998

    1002

    72

    10

    65

    0.5

    10

    1188

    116

    8.1

    11.4

    210

    112.28.1000

    12

    1185.6

    96

    9.7

    13.6

    8

    111.28.1120

    1242

    998

    82

    1198

    1042

    36

    22

    M20

    40

    6

    1118

    1122

    72

    10

    65

    0.5

    10

    1298

    127

    8.1

    11.4

    230

    112.28.1120

    12

    1305.6

    106

    9.7

    13.6

    9

    111.32.1250

    1390

    1110

    91

    1337

    1163

    40

    26

    M24

    48

    5

    1248

    1252

    81

    10

    75

    0.5

    12

    1449.6

    118

    11.3

    15.7

    350

    112.32.1250

    14

    1453.2

    101

    13.2

    18.2

    10

    111.32.1400

    1540

    1260

    91

    1487

    1313

    40

    26

    M24

    48

    5

    1398

    1402

    81

    10

    75

    0.5

    12

    1605.6

    131

    11.3

    15.7

    400

    112.32.1400

    14

    1607.2

    112

    13.2

    18.2

    11

    111.32.1600

    1740

    1460

    91

    1687

    1513

    45

    26

    M24

    48

    5

    1598

    1602

    81

    10

    75

    0.5

    14

    1817.2

    127

    13.2

    18.2

    440

    112.32.1600

    16

    1820.8

    111

    15.1

    22.4

    12

    111.32.1800

    1940

    1660

    91

    1887

    1713

    45

    26

    M24

    48

    5

    1798

    1802

    81

    10

    75

    0.5

    14

    2013.2

    141

    13.2

    18.2

    500

    112.32.1800

    16

    2012.8

    123

    15.1

    22.4

    13

    111.40.2000

    2178

    1825

    112

    2110

    1891

    48

    33

    M30

    60

    8

    1997

    2003

    100

    12

    90

    0.5

    16

    2268.8

    139

    18.1

    25

    900

    112.40.2000

    18

    2264.4

    123

    20.3

    28.1

    14

    111.40.2240

    2418

    2065

    112

    2350

    2131

    48

    33

    M30

    60

    8

    2237

    2243

    100

    12

    90

    0.5

    16

    2492.8

    153

    18.1

    25

    1000

    112.40.2240

    18

    2498.4

    136

    20.3

    28.1

    15

    111.40.2500

    2678

    2325

    112

    2610

    2391

    56

    33

    M30

    60

    8

    2497

    2503

    100

    12

    90

    0.5

    18

    2768.4

    151

    20.3

    28.1

    1100

    112.40.2500

    20

    2776

    136

    22.6

    31.3

    16

    111.40.2800

    2978

    2625

    112

    2910

    2691

    56

    33

    M30

    60

    8

    2797

    2803

    100

    12

    90

    0.5

    18

    3074.4

    168

    20.3

    28.1

    1250

    112.40.2800

    20

    3076

    151

    22.6

    31.3

    17

    111.50.3150

    3376

    2922

    134

    3286

    3014

    56

    45

    M42

    84

    8

    3147

    3153

    122

    12

    110

    0.5

    20

    3476

    171

    27.6

    38.3

    2150

    112.50.3150

    22

    3471.6

    155

    30.4

    42.1

    18

    111.50.3550

    3776

    3322

    134

    3686

    3414

    56

    45

    M42

    84

    8

    3547

    3553

    122

    12

    110

    0.5

    20

    3876

    191

    30.4

    38.3

    2470

    112.50.3550

    22

    3889.6

    174

    30.4

    42.1

    19

    111.50.4000

    4226

    3772

    134

    4136

    3864

    60

    45

    M42

    84

    10

    3997

    4003

    122

    12

    110

    0.5

    22

    4329.6

    194

    30.4

    42.1

    2800

    112.50.4000

    25

    4345

    171

    34.5

    47.8

    20

    111.50.4500

    4726

    4272

    134

    4636

    4364

    60

    45

    M42

    84

    10

    4497

    4503

    122

    12

    110

    0.5

    22

    4835.6

    217

    30.4

    42.1

    3100

    112.50.4500

    25

    4845

    191

    34.5

    47.8

    注: 
    1、n1为润滑油孔数,均布:油杯M10×1 JB/T7940.1-JB/T7940.2
    2、安装孔n-Φ可改用螺孔;齿宽b可改为H-h。
    3、表内齿轮圆周力为大圆周力,额定圆周力取其1/2。
    4、外齿修顶系数为0.1。


    点击次数:   更新时间:19/08/21 15:48:08  
    网站地图