麻豆传媒视频在线播放,麻豆免费版下载安装,麻豆精品国产AV,麻豆视频最新网址

    产品中心

    product center

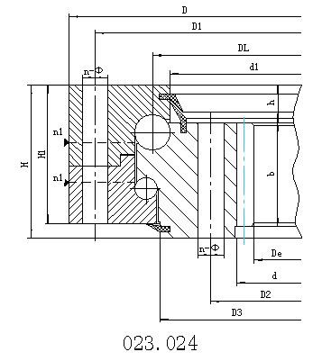
    双排球式内齿型-回转支承

    • 产品名称: 双排球式内齿型-回转支承
    • 产品分类: 双排球式(02系列)
    • 联系方式: 0535-8331991
    • 公司名称: 招远市麻豆传媒视频在线播放机械制造有限公司
    • 公司地址:山东省招远市开发区河东路999号
    • 添加时间: 19/08/21
    产品详情


    结构特点、性能、适用范围 
    双排球式回转支承具有三个座圈,钢 球和隔离块可直接排入上下滚道,根据受力状况,安排了上下两排直径不同的钢球。这种开式装配非常方便,上下圆弧滚道的承载角都为90°,能承受很大的轴向 力和倾翻力矩。当径向力大于0.1倍的轴向力时滚道须特殊设计。双排球式回转支承的轴向、径向尺寸都比较大,结构紧固。特别适用于要求中等以上直径的塔式 起重机,汽车起重机等装卸机械上。


    内齿式
    DL
    mm

    外型尺寸

    安装尺寸

    结构尺寸

    齿轮参数

    齿轮圆周力

    参考
    重量 
    kg

    D
    mm

    d
    mm

    H
    mm

    D1
    mm

    D2
    mm

    n

    mm

    n1
    mm

    H1
    mm

    h
    mm

    b
    mm

    x

    m
    mm

    De
    mm

    z

    正火
    Z 104N

    调质
    T 104N

    1

    023.25.500

    616

    384

    106

    580

    420

    20

    18

    4

    96

    26

    60

    0.5

    5

    257

    72

    3.7

    5.2

    100

    024.25.500

    6

    350.4

    59

    4.5

    6.2

    2

    023.25.560

    676

    444

    106

    640

    480

    20

    18

    4

    96

    26

    60

    0.5

    5

    417

    84

    3.7

    5.2

    115

    024.25.560

    6

    410.4

    69

    4.5

    6.2

    3

    023.25.630

    746

    514

    106

    710

    550

    24

    18

    4

    96

    26

    60

    0.5

    6

    482.4

    81

    4.5

    6.2

    130

    024.25.630

    8

    475.2

    60

    6

    8.3

    4

    023.25.710

    826

    594

    106

    790

    630

    24

    18

    4

    96

    26

    60

    0.5

    6

    560.4

    94

    4.5

    6.2

    140

    024.25.710

    8

    555.2

    70

    6

    8.3

    5

    023.30.800

    942

    658

    124

    898

    702

    30

    22

    6

    114

    29

    80

    0.5

    8

    619.2

    78

    8

    11.1

    200

    024.30.800

    10

    614

    62

    10

    14

    6

    023.30.900

    1042

    758

    124

    998

    802

    30

    22

    6

    114

    29

    80

    0.5

    8

    715.2

    90

    8

    11.1

    250

    024.30.900

    10

    714

    72

    10

    14

    7

    023.30.1000

    1142

    858

    124

    1098

    902

    36

    22

    6

    114

    29

    80

    0.5

    10

    814

    82

    10

    14

    300

    024.30.1000

    12

    796.8

    67

    12

    16.7

    8

    023.30.1120

    1262

    978

    124

    1218

    1022

    36

    22

    6

    114

    29

    80

    0.5

    10

    924

    93

    10

    14

    340

    024.30.1120

    12

    916.8

    77

    12

    16.7

    9

    023.40.1250

    1426

    1074

    160

    1374

    1126

    40

    26

    5

    150

    39

    90

    0.5

    12

    1012.8

    85

    13.5

    18.8

    580

    024.40.1250

    14

    1013.6

    73

    15.8

    21.9

    10

    023.40.1400

    1576

    1224

    160

    1524

    1272

    40

    26

    5

    150

    39

    90

    0.5

    12

    1156.8

    97

    13.5

    18.8

    650

    024.40.1400

    14

    1153.6

    83

    15.8

    21.9

    11

    023.40.1600

    1776

    1424

    160

    1724

    1476

    45

    26

    5

    150

    39

    90

    0.5

    14

    1349.6

    97

    15.8

    21.9

    750

    024.40.1600

    16

    1350.4

    85

    18.1

    25

    12

    023.40.1800

    1976

    1624

    160

    1924

    1676

    45

    26

    5

    150

    39

    90

    0.5

    14

    1545.6

    111

    15.8

    21.9

    820

    024.40.1800

    16

    1542.4

    97

    18.1

    25

    13

    023.50.2000

    2215

    1785

    190

    2149

    1851

    48

    33

    8

    178

    47

    120

    0.5

    16

    1702.4

    107

    24.1

    33.3

    1150

    024.50.2000

    18

    1699.2

    95

    27.1

    37.5

    14

    023.50.2240

    2455

    2025

    190

    2389

    2091

    48

    33

    8

    178

    47

    120

    0.5

    16

    1942.4

    122

    24.1

    33.3

    1500

    024.50.2240

    18

    1933.2

    108

    27.1

    37.5

    15

    023.50.2500

    2715

    2285

    190

    2649

    2351

    56

    33

    8

    178

    47

    120

    0.5

    18

    2203.2

    123

    27.1

    37.5

    1700

    024.50.2500

    20

    2188

    110

    30.1

    41.8

    16

    023.50.2800

    3015

    2585

    190

    2949

    2651

    56

    33

    8

    178

    47

    120

    0.5

    18

    2491.2

    139

    27.1

    37.5

    1900

    024.50.2800

    20

    2488

    125

    30.1

    41.8

    17

    023.60.3150

    3428

    2872

    226

    3338

    2962

    56

    45

    8

    214

    56

    150

    0.5

    20

    2768

    139

    37.7

    52.2

    3300

    024.60.3150

    22

    2758.8

    126

    41.5

    57.4

    18

    023.60.3550

    3828

    3272

    226

    3738

    3362

    56

    45

    8

    214

    56

    150

    0.5

    20

    3168

    159

    37.7

    52.2

    3700

    024.60.3550

    22

    3176.8

    145

    41.5

    57.4

    19

    023.60.4000

    4278

    3722

    226

    4188

    3812

    60

    45

    10

    214

    56

    150

    0.5

    22

    3616.8

    165

    41.5

    57.4

    4200

    024.60.4000

    25

    3610

    145

    47.1

    65.2

    20

    023.60.4500

    4778

    4222

    226

    4688

    4312

    60

    45

    10

    214

    56

    150

    0.5

    22

    4122.8

    188

    41.5

    57.4

    4700

    024.60.4500

    25

    4110

    165

    47.1

    65.2



    以上是关于双排球式内齿型-回转支承厂家,双排球式内齿型-回转支承价格,双排球式内齿型-回转支承哪家好的详细介绍
    地区产品: 广东双排球式内齿型-回转支承,北京双排球式内齿型-回转支承,天津双排球式内齿型-回转支承,马鞍山双排球式内齿型-回转支承,山东双排球式内齿型-回转支承,江苏双排球式内齿型-回转支承,徐州双排球式内齿型-回转支承,成都双排球式内齿型-回转支承,四川双排球式内齿型-回转支承。
    点击次数:   更新时间:19/08/21 14:51:08  
    网站地图