麻豆传媒视频在线播放,麻豆免费版下载安装,麻豆精品国产AV,麻豆视频最新网址

    产品中心

    product center

    HS系列外齿型-麻豆免费版下载安装

    • 产品名称: HS系列外齿型-麻豆免费版下载安装
    • 产品分类: 麻豆视频最新网址回转支承(HS)
    • 联系方式: 0535-8331991
    • 公司名称: 招远市麻豆传媒视频在线播放机械制造有限公司
    • 公司地址:山东省招远市开发区河东路999号
    • 添加时间: 19/08/21
    产品详情

    麻豆视频最新网址回转支承(HS系列)——外齿式
    结构特点、性能、适用范围 
    麻豆视频最新网址回转支承由两个座圈组成,结构紧凑、重量轻、钢球与圆弧滚道四点接触,能同时承受轴向力、径向力和倾翻力矩。回转式输送机、焊接操作机、中小型起重机和挖掘机等工程机械均可选用。

    序号

    外齿式
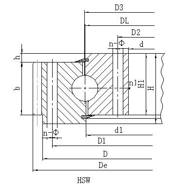
    DL 
    mm

    外型尺寸

    安装尺寸

    结构尺寸

    齿轮参数

    齿轮
    圆周力

    参考
    重量
    kg

    D
    mm

    d
    mm

    H
    mm

    D1
    mm

    D2
    mm

    n

    mm

    n1
    mm

    D3
    mm

    d1
    mm

    H1
    mm

    h
    mm

    b
    mm

    x

    m
    mm

    De
    mm

    z

    调质
    T 104N

    1

    HSW.25.625

    725

    525

    80

    685

    565

    18

    18

    3

    626

    624

    68

    12

    60

    1.4

    5

    751.9

    146

    5.2

    100

    HSW.25.625A

    1.15

    6

    755.5

    122

    6.2

    2

    HSW.25.720

    820

    620

    80

    780

    660

    18

    18

    3

    721

    719

    68

    12

    60

    1.4

    6

    860.3

    139

    6.2

    120

    HSW.25.720A

    1

    8

    861.1

    104

    8.3

    3

    HSW.30.820

    940

    705

    95

    893

    749

    24

    20

    4

    821

    818

    83

    12

    70

    1.4

    6

    980.6

    159

    7.2

    210

    HSW.30.820A

    1

    10

    986.2

    95

    12.2

    4

    HSW.30.880

    1000

    760

    95

    956

    800

    24

    20

    4

    881

    878

    83

    12

    70

    1.15

    8

    1047.5

    127

    9.7

    230

    HSW.30.880A

    1

    10

    1046.3

    101

    12.2

    5

    HSW.30.1020

    1170

    875

    95

    1120

    930

    24

    22

    4

    1021

    1018

    80

    15

    70

    1.4

    8

    1219.3

    148

    9.7

    300

    HSW.30.1020A

    1.15

    10

    1219.2

    118

    12.2

    6

    HSW.30.1220

    1365

    1075

    120

    1310

    1130

    36

    24

    6

    1221

    1218

    105

    15

    90

    1.4

    10

    1424.9

    138

    15.7

    450

    HSW.30.1220A

    1

    12

    1435.9

    116

    18.8

    7

    HSW.35.1250

    1400

    1090

    120

    1350

    1150

    36

    26

    6

    1251

    1248

    105

    15

    90

    -0.35

    10

    1443

    143

    15.7

    520

    HSW.35.1250A

    1

    12

    1449.6

    117

    18.8

    8

    HSW.35.1435

    1595

    1278

    120

    1535

    1335

    36

    26

    6

    1436

    1433

    105

    15

    90

    1.15

    12

    1655.5

    134

    18.8

    610

    HSW.35.1435A

    1

    14

    1661.2

    115

    21.9

    9

    HSW.35.1540

    1720

    1360

    140

    1660

    1420

    42

    26

    6

    1541

    1538

    122

    18

    110

    1.4

    12

    1780.8

    144

    23

    732

    HSW.35.1540A

    1.15

    14

    1791.1

    124

    26.8

    10

    HSW.35.1700

    1875

    1525

    140

    1815

    1585

    42

    29

    6

    1701

    1698

    122

    18

    110

    1.15

    14

    1945.4

    135

    26.8

    844

    HSW.35.1700A

    1.15

    16

    1950.8

    118

    30.5

    11

    HSW.40.1880

    2100

    1665

    160

    2030

    1740

    48

    32

    6

    1881

    1878

    140

    20

    115

    1.4

    14

    2189.8

    152

    27.8

    1400

    HSW.40.1880A

    1.15

    18

    2194.6

    118

    35.8

    12

    HSW.40.2115

    2325

    1900

    160

    2245

    1980

    48

    32

    6

    2116

    2113

    140

    20

    115

    1.4

    16

    2406.5

    146

    31.9

    1600

    HSW.40.2115A

    1.15

    20

    2418.4

    117

    40

    13

    HSW.40.2370

    2600

    2146

    180

    2520

    2220

    48

    32

    6

    2371

    2368

    158

    22

    130

    1.4

    18

    2707.3

    146

    40.7

    2100

    HSW.40.2370A

    1.15

    22

    2704.4

    119

    49.7

    14

    HSW.40.2600

    2835

    2365

    180

    2750

    2450

    54

    36

    6

    2601

    2598

    158

    22

    130

    1.4

    18

    2941.7

    159

    37.6

    2400

    HSW.40.2600A

    1.15

    22

    2946.9

    130

    45.9

    15

    HSW.50.2820

    3085

    2555

    200

    3000

    2640

    54

    36

    6

    2822

    2818

    178

    22

    150

    1.4

    20

    3188.4

    155

    52.2

    3400

    HSW.50.2820A

    1.15

    25

    3198.4

    124

    65.3

    16

    HSW.50.3120

    3400

    2840

    200

    3310

    2930

    54

    36

    6

    3122

    3118

    178

    22

    150

    1.4

    22

    3507.2

    155

    57.4

    4000

    HSW.50.3120A

    1.4

    25

    3509.6

    136

    65.3

    17

    HSW.50.3580

    3920

    3240

    240

    3820

    3340

    60

    40

    6

    3582

    3578

    218

    22

    190

    1.4

    22

    4036.1

    179

    72.7

    6700

    HSW.50.3580A

    1.4

    25

    4035.6

    157

    82.6

    18

    HSW.50.4030

    4370

    3690

    240

    4270

    3790

    66

    40

    6

    4032

    4028

    218

    22

    190

    1.4

    22

    4520.6

    201

    53.6

    7700

    HSW.50.4030A

    1.4

    28

    4522.4

    157

    68.2

    19

    HSW.50.4540

    4860

    4210

    240

    4760

    4310

    72

    40

    6

    4542

    4538

    218

    22

    190

    1.4

    22

    4983.1

    222

    72.1

    8760

    HSW.50.4540A

    1.4

    30

    4992.9

    162

    99.1

    注: 
    1、n1为润滑油孔数,均布:油杯M10×1 JB/T7940.1-TB7940.2. 
    2、安装孔n-Φ可改用螺孔;齿宽b可改为H-h。
    3、表内齿轮圆周力为大圆周力,额定圆周力取其1/2。
    4、表内变位系数均为外齿式设计。


    点击次数:   更新时间:19/08/21 15:27:08  
    网站地图