
product center

麻豆精品国产AV回转支承(HJ系列)——内齿式
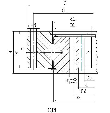
结构特点、性能、适用范围
麻豆精品国产AV回转支承,由两个座圈组成,结构紧凑、重量轻、制造精度高,装配间隙小,对安装精度要求高,滚柱为1:1交叉排列,能同时承受轴向力,倾翻力矩和较大的径向力,被广泛地用于起重运输、工程机械和军工产品上。
序号
内齿式
外型尺寸
安装尺寸
结构尺寸
齿轮参数
齿轮
参考
D
d
H
D1
D2
n
mm
n1
D3
d1
H1
h
b
x
m
De
z
调质
1
HJN.20.625
725
525
80
685
565
18
18
3
627
623
68
12
60
1.4
5
498.8
101
5.2
100
HJN.20.625A
1.15
6
496.7
84
6.2
2
HJN.20.720
820
620
80
780
660
18
18
3
722
718
68
12
60
1.4
6
586.6
99
6.2
120
HJN.20.720A
1
8
582.3
74
8.3
3
HJN.30.820
940
705
95
893
749
24
20
4
822
818
83
12
70
1.4
6
664.5
112
7.2
210
HJN.30.820A
1
10
658
67
12.2
4
HJN.30.880
1000
760
95
956
800
24
20
4
882
878
83
12
70
1.15
8
718.2
91
9.7
230
HJN.30.880A
1
10
707.9
72
12.2
5
HJN.30.1020
1170
875
95
1120
930
24
22
4
1022
1018
80
15
70
1.4
8
830.1
105
9.7
300
HJN.30.1020A
1.15
10
827.8
84
12.2
6
HJN.36.1220
1365
1075
120
1310
1130
36
24
6
1222
1218
105
15
90
1.4
10
1027.8
104
15.7
450
HJN.36.1220A
1
12
1017.3
86
18.8
7
HJN.36.1250
1400
1090
120
1350
1150
36
26
6
1252
1248
105
15
90
-0.35
10
1037
105
15.7
520
HJN.36.1250A
1
12
1028.8
87
18.8
8
HJN.36.1435
1595
1278
120
1535
1335
36
26
6
1437
1433
105
15
90
1.15
12
1221.2
1.3
18.8
610
HJN.36.1435A
1
14
1214.8
88
21.9
9
HJN.45.1540
1720
1360
140
1660
1420
42
26
6
1543
4537
122
18
110
1.4
12
1293.1
109
23
732
HJN.45.1540A
1.15
14
1284.8
93
26.8
10
HJN.45.1700
1875
1525
140
1815
1585
42
29
6
1703
1697
122
18
110
1.15
14
1452.7
105
26.8
844
HJN.45.1700A
1.15
16
1452.3
92
30.5
11
HJN.45.1880
2100
1665
160
2030
1740
48
32
6
1883
1876
140
20
115
1.4
14
1592.6
115
27.8
1400
HJN.45.1880A
1.15
18
1579.9
89
35.8
12
HJN.45.2115
2325
1900
160
2245
1980
48
32
6
2118
2112
140
20
115
1.4
16
1804.1
114
31.9
1600
HJN.45.2115A
1.15
20
1795.4
91
40
13
HJN.45.2370
2600
2146
180
2520
2220
48
32
6
2373
2367
158
22
130
1.4
18
2065.6
116
40.7
2100
HJN.45.2370A
1.15
22
2040.9
94
49.7
14
HJN.45.2600
2835
2365
180
2750
2450
54
36
6
2603
2597
158
22
130
1.4
18
2263.5
127
37.6
2400
HJN.45.2600A
1.15
22
2260.8
104
45.9
15
HJN.50.2820
3085
2555
200
3000
2640
54
36
6
2823
2817
178
22
150
1.4
20
2455
124
52.2
3400
HJN.50.2820A
1.15
25
2444.1
99
65.3
16
HJN.50.3120
3400
2840
200
3310
2930
54
36
6
3123
3117
178
22
150
1.4
22
2722.5
125
57.4
4000
HJN.50.3120A
1.4
25
2719
110
65.3
17
HJN.50.3580
3920
3240
240
3820
3340
60
40
6
3583
3577
218
22
190
1.4
22
3118.4
143
72.7
6700
HJN.50.3580A
1.4
25
3118.8
126
82.6
18
HJN.50.4030
4370
3690
240
4270
3790
66
40
6
4033
4027
218
22
190
1.4
22
3558.3
163
53.6
7700
HJN.50.4030A
1.4
28
3549
128
68.2
19
HJN.50.4540
4860
4210
240
4760
4310
72
40
6
4543
4537
218
22
190
1.4
22
4042.2
185
72.1
8760
HJN.50.4540A
1.4
30
4042.4
136
99.1
DL
mm
圆周力
重量
kg
mm
mm
mm
mm
mm
mm
mm
mm
mm
mm
mm
mm
mm
T 104N
注:
1、n1为润滑油孔数,均布:油杯M10×1 JB/T7940.1-JB/T7940.2.
2、安装孔n-Φ可改用螺孔;齿宽b可改为H-h。
3、表内齿轮圆周力为大圆周力,额定圆周力取其1/2。
4、内齿变位系数均为+0.35。