麻豆传媒视频在线播放,麻豆免费版下载安装,麻豆精品国产AV,麻豆视频最新网址

    产品中心

    product center

    Q系列外齿型麻豆免费版下载安装

    • 产品名称: Q系列外齿型麻豆免费版下载安装
    • 产品分类: 麻豆视频最新网址(Q系列)
    • 联系方式: 0535-8331991
    • 公司名称: 招远市麻豆传媒视频在线播放机械制造有限公司
    • 公司地址:山东省招远市开发区河东路999号
    • 添加时间: 19/08/21
    产品详情



    麻豆视频最新网址回转支承(Q系列)——外齿式
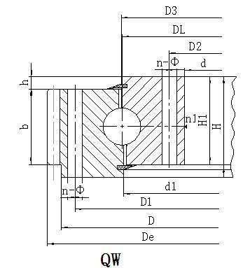
    结构特点、性能、适用范围 
    麻豆视频最新网址回转支承由两个座圈组成,结构紧凑,重量轻,钢球与圆弧滚道四点接触,能同时承受轴向力,径向力和倾翻力矩,回转式输送机,焊接操作机,中小型起重机和挖掘机等工程机械均可选用。

    序号

    型号

    外形尺寸

    安装孔尺寸

    结构
    尺寸

    齿轮参数

    外齿式

    H

    Du

    Dn

    n

    通孔A

    螺孔B/C/D

    n1油杯
    数量

    h

    B

    m

    外齿式x=-0.5

    De

    齿数z

    重量

    D

    d

    φ

    d1

    T

    mm

     

    mm

     

    mm

    mm

     

    kg

    1

    QW.315.20

    406

    222

    60

    370

    260

    10

    17

    M16

    24

    2

    10

    40

    3

    423

    140

    35

    QW.315.20A

    4

    428

    106

    36

    2

    QW.355.20

    446

    262

    60

    410

    300

    10

    17

    M16

    24

    2

    10

    40

    3

    462

    153

    40

    QW.355.20A

    4

    468

    116

    41

    3

    QW.400.20

    490

    307

    60

    455

    345

    12

    17

    M16

    24

    2

    10

    40

    4

    512

    127

    45

    QW.400.20A

    5

    520

    103

    47

    4

    QW.450.20

    540

    357

    60

    505

    395

    12

    17

    M16

    24

    2

    10

    40

    4

    564

    140

    51

    QW.450.20A

    5

    570

    113

    53

    5

    QW.500.20

    590

    407

    60

    555

    445

    14

    17

    M16

    24

    2

    10

    40

    5

    615

    122

    56

    QW.500.20A

    6

    624

    103

    58

    6

    QW.560.20

    654

    464

    70

    618

    502

    14

    17

    M16

    30

    2

    10

    50

    4

    680

    169

    78

    QW.560.20A

    5

    685

    136

    79

    7

    QW.630.20

    724

    534

    70

    688

    572

    16

    17

    M16

    30

    2

    10

    50

    4

    748

    186

    86

    QW.630.20A

    5

    755

    150

    88

    8

    QW.710.20

    804

    614

    70

    768

    652

    18

    17

    M16

    30

    2

    10

    50

    5

    835

    166

    99

    QW.710.20A

    6

    840

    139

    101

    9

    QW.800.20

    894

    704

    70

    858

    742

    20

    17

    M16

    30

    2

    10

    50

    6

    930

    154

    114

    QW.800.20A

    8

    936

    116

    114

    10

    QW.800.25

    904

    692

    78

    864

    736

    18

    22

    M20

    36

    2

    10

    58

    6

    942

    156

    143

    QW.800.25A

    8

    952

    118

    147

    11

    QW.900.25

    1004

    792

    78

    964

    836

    20

    22

    M20

    36

    2

    10

    58

    8

    1048

    130

    162

    QW.900.25A

    10

    1060

    105

    168

    12

    QW.1000.25

    1104

    892

    78

    1064

    936

    24

    22

    M20

    36

    2

    10

    58

    8

    1152

    143

    182

    QW.1000.25A

    10

    1160

    115

    185

    13

    QW.1000.32

    1120

    876

    90

    1074

    926

    24

    24

    M22

    40

    2

    10

    70

    8

    1160

    144

    227

    QW.1000.32A

    10

    1170

    116

    232

    14

    QW.1120.32

    1240

    996

    90

    1194

    1046

    28

    24

    M22

    40

    4

    10

    70

    10

    1300

    129

    272

    QW.1120.32A

    12

    1308

    108

    275

    15

    QW.1250.32

    1370

    1126

    90

    1324

    1176

    32

    24

    M22

    40

    4

    10

    70

    10

    1430

    142

    302

    QW.1250.32A

    12

    1440

    119

    309

    16

    QW.1400.32

    1520

    1276

    90

    1474

    1326

    36

    24

    M22

    40

    4

    10

    70

    12

    1584

    131

    337

    QW.1400.32A

    14

    1596

    113

    347

    17

    QW.1250.40

    1390

    1108

    102

    1336

    1164

    32

    26

    M24

    45

    4

    12

    80

    10

    1450

    144

    396

    QW.1250.40A

    12

    1452

    120

    392

    18

    QW.1400.40

    1540

    1258

    102

    1486

    1314

    36

    26

    M24

    45

    4

    12

    80

    12

    1608

    133

    448

    QW.1400.40A

    14

    1610

    114

    443

    19

    QW.1600.40

    1740

    1458

    102

    1686

    1514

    40

    26

    M24

    45

    4

    12

    80

    12

    1812

    150

    528

    QW.1600.40A

    14

    1820

    129

    534

    20

    QW.1800.40

    1940

    1658

    102

    1886

    1714

    44

    26

    M24

    45

    4

    12

    80

    14

    2016

    143

    583

    QW.1800.40A

    16

    2032

    126

    607

    21

    QW.1600.50

    1762

    1434

    124

    1704

    1496

    40

    30

    M27

    50

    4

    12

    100

    12

    1824

    151

    714

    QW.1600.50A

    14

    1834

    130

    727

    22

    QW.1800.50

    1964

    1634

    124

    1904

    1696

    44

    30

    M27

    50

    4

    12

    100

    14

    2044

    145

    845

    QW.1800.50A

    16

    2048

    127

    843

    23

    QW.2000.50

    2162

    1834

    124

    2104

    1896

    48

    30

    M27

    50

    6

    12

    100

    16

    2240

    139

    912

    QW.2000.50A

    18

    2250

    124

    927

    24

    QW.2240.50

    2402

    2074

    124

    2344

    2136

    54

    30

    M27

    50

    6

    12

    100

    16

    2480

    154

    1020

    QW.2240.50A

    18

    2502

    138

    1078

    25

    QW.2500.50

    2662

    2334

    124

    2604

    2396

    60

    30

    M27

    50

    6

    12

    100

    18

    2754

    152

    1171

    QW.2500.50A

    20

    2760

    137

    1175

    26

    QW.2500.60

    2696

    2304

    150

    2626

    2374

    60

    33

    M30

    56

    6

    14

    122

    18

    2790

    154

    1677

    QW.2500.60A

    20

    2800

    139

    1701


    注: 
    1、n1为润滑油孔数,均布:油杯M10×1 JB/T7940.1-JB/T7940.2
    2、安装孔n-Φ可改用螺孔;齿宽b可改为H-h。
    3、表内齿轮圆周力为大圆周力,额定圆周力取其1/2。


    点击次数:   更新时间:19/08/21 15:38:08  
    网站地图